JDZ6-10(6)R 電壓互感器
產品概述:
本型電壓互感器為環氧樹脂真空澆注全封閉單相戶內結構, 一次采用熔管結構 , 主要適用于額定頻率為50Hz或60Hz, 額定電壓10kV及以下電力系統中作電能計量、 電壓測量用。
本產品符合GB 20840.1-2010《互感器第1部分:通用技術要求》、 GB 20840.3-2013《互感器第3部分:電壓互感器的補充技術要求》和JJG 314-2010《測量用電壓互感器檢定規程》。
產品選型:

使用環境:
1、海拔:不超過1000米;
2、環境溫度:-5℃~+40℃;
3、空氣相對濕度:≤85%;
4、安裝場所:戶內。
技術參數:
1、絕緣水平: 12/42/75kV,7.2/30/60 ;
2、功率因數:cosφ=0.8;
3、額定二次電流:5A或1A;
4、額定頻率:50Hz或者60Hz;
5、重量:30kg。
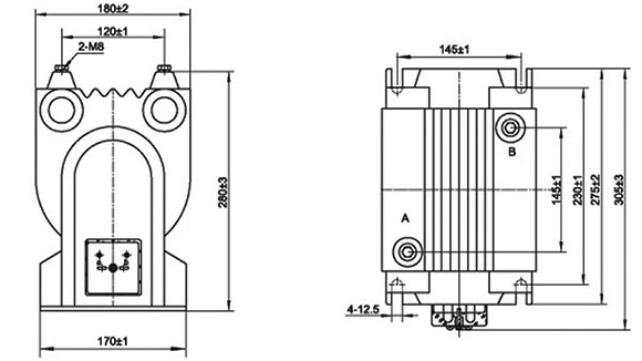
外形安裝尺寸:





























